Apr 15, 2025
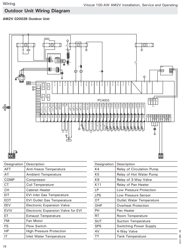
Some wiring diagrams for the equipment:
A communication bus cable between the outdoor unit and the indoor unit.
Recommended: LiYY 2 X 22 AWG (0.34mm2) Maximum: LiYY 2 X 18 AWG (1.5mm2)







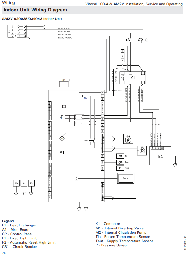
Some wiring diagrams for the equipment:
A communication bus cable between the outdoor unit and the indoor unit.
Recommended: LiYY 2 X 22 AWG (0.34mm2) Maximum: LiYY 2 X 18 AWG (1.5mm2)






